Промышленная Сибирь Ярмарка Сибири Промышленность СФО Электронные торги НОУ-ХАУ Электронные магазины Карта сайта
 
 

Поиск патентов

Как искать?
Реферат
Название
Публикация
Регистрационный номер
Имя заявителя
Имя изобретателя
Имя патентообладателя

    





Оформить заказ и задать интересующие Вас вопросы Вы можете напрямую c 6-00 до 14-30 по московскому времени кроме сб, вс. whatsapp 8-950-950-9888

На данной странице представлена ознакомительная часть выбранного Вами патента

Для получения более подробной информации о патенте (полное описание, формула изобретения и т.д.) Вам необходимо сделать заказ. Нажмите на «Корзину»


СПОСОБ ВОСПЛАМЕНЕНИЯ ТОПЛИВНОЙ СМЕСИ В ДВИГАТЕЛЕ ВНУТРЕННЕГО СГОРАНИЯ ЛАЗЕРНЫМ ОПТИЧЕСКИМ РАЗРЯДОМ И УСТРОЙСТВО ДЛЯ ЕГО ОСУЩЕСТВЛЕНИЯ

Номер публикации патента: 2436991

Вид документа: C1 
Страна публикации: RU 
Рег. номер заявки: 2010128335/07 
  Сделать заказПолучить полное описание патента

Редакция МПК: 
Основные коды МПК: F02P023/04    
Аналоги изобретения: RU 2003825 C1, 30.11.1993. RU 98104499 A, 20.12.1999. RU 72728 U1, 27.04.2008. RU 2309288 C1, 27.10.2007. DE 10041055 A, 22.01.1998. DE 19629171 A, 22.01.1998. US 5237969 A, 24.08.1999. 

Имя заявителя: Государственное образовательное учреждение высшего профессионального образования Казанский государственный технический университет им. А.Н. Туполева (КГТУ им. А.Н. Туполева) (RU) 
Изобретатели: Дрегалин Анатолий Федорович (RU)
Мухамедзянов Ринад Алиманович (RU)
Саттаров Альберт Габдулбарович (RU)
Бикмучев Айдар Рустемович (RU) 
Патентообладатели: Государственное образовательное учреждение высшего профессионального образования Казанский государственный технический университет им. А.Н. Туполева (КГТУ им. А.Н. Туполева) (RU) 

Реферат


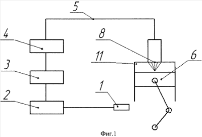
Изобретение относится к автомобилестроению, а конкретно к системам воспламенения топливовоздушной смеси (ТВС) в двигателях внутреннего сгорания (ДВС). Сущность способа заключается в следующем. Воспламенение ТВС в ДВС достигается с помощью лазерного оптического разряда, для его интенсификации лазерный луч концентрируют на металлическую поверхность поршня двигателя. Устройство для осуществления способа содержит лазер (4) с оптическим световодом (5) и с фокусирующей линзой (8). Блок синхронизации (2) связан с усилителем мощности накачки (3) лазера (4) и с датчиком (1) положения распределительного вала двигателя. Фокусирующая линза (8) в верхней части через световод (5) соединена с лазером (4), а со стороны цилиндра двигателя (11) имеет упорную втулку (9), к которой прикреплено окно из кварцевого стекла, отделяющее оптическую систему от продуктов сгорания в цилиндре двигателя (11). Усилитель мощности (3) накачки лазера (4) представляет собой пакет конденсаторов, связанный с аккумуляторной батареей. Технический результат - упрощение системы зажигания за счет использования одного лазера, повышение надежности зажигания ТВС при высоких давлениях, за счет чего достигается экономическая эффективность и, следовательно, доступность использовании лазерной системы зажигания в ДВС. 2 н. и 4 з.п. ф-лы, 2 ил.

Дирекция сайта "Промышленная Сибирь"
Россия, г.Омск, ул.Учебная, 199-Б, к.408А
Сайт открыт 01.11.2000
© 2000-2018 Промышленная Сибирь
Разработка дизайна сайта:
Дизайн-студия "RayStudio"