|
На данной странице представлена ознакомительная часть выбранного Вами патента
Для получения более подробной информации о патенте (полное описание, формула изобретения и т.д.) Вам необходимо сделать заказ. Нажмите на «Корзину»
| СПОСОБ КОРРЕКЦИИ ЗАПАЛЬНОЙ ДОЗЫ ДИЗЕЛЬНОГО ТОПЛИВА В ДИЗЕЛЯХ, РАБОТАЮЩИХ ПО ГАЗОДИЗЕЛЬНОМУ ПРОЦЕССУ, И УСТРОЙСТВО ДЛЯ ЕГО ОСУЩЕСТВЛЕНИЯ |  |
Номер публикации патента: 2182249 |  |
| Редакция МПК: | 7 | | Основные коды МПК: | F02D019/10 | | Аналоги изобретения: | ВАЛЕЕВ Д.Х. Газодизельные автомобили КАМАЗ моделей 53208, 53218, 53219, 54118, 55118, 53217. - М.: Машиностроение, 1988, с.38-39. SU 1744291 A1, 30.06.1992. SU 1671925 A1, 23.08.1991. SU 1539357 A1, 30.01.1990. RU 2137937 C1, 20.09.1999. RU 21076225 С1, 27.03.1997. US 4817568 A, 04.04.1989. DE 3404038 A1, 08.08.1985. |
| Имя заявителя: | Общество с ограниченной ответственностью "Проектно-производственное предприятие Дизельавтоматика" | | Изобретатели: | Протасов Д.Б. | | Патентообладатели: | Общество с ограниченной ответственностью "Проектно-производственное предприятие Дизельавтоматика" |
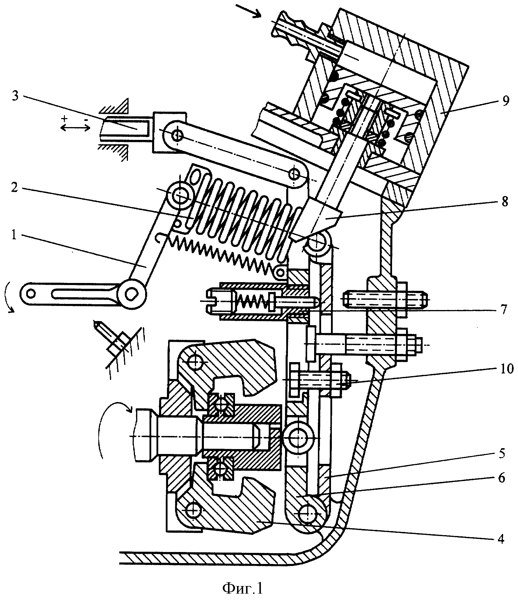
Реферат |  |
Изобретение относится к системам регулирования двигателей, работающих по газодизельному процессу. Технический результат заключается в снижении расхода дизельного топлива и улучшении качества работы двигателя путем коррекции запальной дозы дизтоплива с помощью штатного корректора регулятора скорости прямого действия. Способ коррекции запальной дозы дизельного топлива в дизелях, работающих по газодизельному процессу, при котором с увеличением частоты вращения и нагрузки увеличивают дозу запального топлива, обеспечивается тем, что запальную дозу дизельного топлива выдерживают постоянной при работе двигателя по регуляторной характеристике в диапазоне оборотов от номинальных до минимальных и увеличивают при работе двигателя по внешней скоростной характеристике. Устройство для осуществления коррекции запальной дозы дизельного топлива в дизелях, работающих по газодизельному процессу, содержит всережимный центробежный регулятор скорости прямого действия, соединенный с органами подачи газа, основной и промежуточный рычаги, рычаг управления, пружину и регулируемый упор. Регулятор скорости имеет возможность воздействовать на величину запальной дозы дизельного топлива. Регулируемый упор воздействует на основной рычаг регулятора, который связан с рычагом рейки топливного через корректор и с рычагом управления через пружину регулятора скорости. 2 с. и 4 з.п. ф-лы, 2 ил.
|