Промышленная Сибирь Ярмарка Сибири Промышленность СФО Электронные торги НОУ-ХАУ Электронные магазины Карта сайта
 
 

Поиск патентов

Как искать?
Реферат
Название
Публикация
Регистрационный номер
Имя заявителя
Имя изобретателя
Имя патентообладателя

    





Оформить заказ и задать интересующие Вас вопросы Вы можете напрямую c 6-00 до 14-30 по московскому времени кроме сб, вс. whatsapp 8-950-950-9888

На данной странице представлена ознакомительная часть выбранного Вами патента

Для получения более подробной информации о патенте (полное описание, формула изобретения и т.д.) Вам необходимо сделать заказ. Нажмите на «Корзину»


АВТОМАТИЗИРОВАННАЯ СИСТЕМА УПРАВЛЕНИЯ ОСВЕЩЕНИЕМ ДОРОГ

Номер публикации патента: 2453761

Вид документа: C1 
Страна публикации: RU 
Рег. номер заявки: 2010148517/07 
  Сделать заказПолучить полное описание патента

Редакция МПК: 
Основные коды МПК: F21S009/00    
Аналоги изобретения: RU 97805 U1, 20.09.2010. RU 2009113544 A, 20.10.2010. RU 80087 U1, 20.01.2009. RU 82718 U1, 10.05.2009. RU 100587 U1, 20.12.2010. DE 20018328 U1, 15.02.2001. GR 3000813 T3, 15.11.1991. 

Имя заявителя: Лебедь Леонид Николаевич (RU) 
Изобретатели: Лебедь Леонид Николаевич (RU)
Чепурной Юрий Васильевич (RU) 
Патентообладатели: Лебедь Леонид Николаевич (RU) 

Реферат


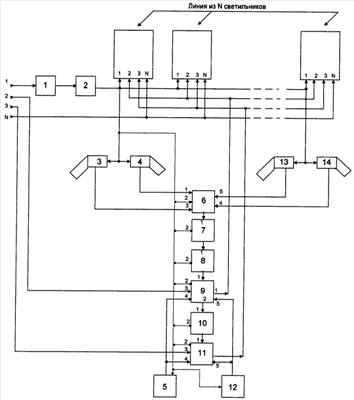
Изобретение относится к энергосберегающим системам управления освещением участков автомобильных дорог, улиц и придомовых территорий с изменяющейся интенсивностью движения транспорта и пешеходов, с питанием от трехфазной сети переменного тока. Технический результат изобретения - энергосбережение, обеспечение равномерности освещения при переходе автоматизированной системы в энергосберегающий или дежурный «ночной» режимы. Автоматизированная система освещения дорог содержит датчик освещенности, три коммутатора напряжения фаз, четыре видеокамеры, устанавливаемые попарно на крайних опорах освещаемого участка, видеодетектор движения, три таймера, датчик тумана и датчик гололеда, при этом первая фаза трехфазной сети подключена к входу датчика освещенности, выход которого подключен к входу первого коммутатора, к выходу которого в свою очередь подключены первые входы каждого из N-светильников на основе светодиодов и входы питания видеокамер, входы питания видеодетектора движения, таймеров, коммутаторов, а также входы питания датчика тумана и датчика гололеда, выходы видеокамер соединены соответственно с третьим, первым, пятым и четвертым входами видеодетектора, выход которого соединен с входом первого таймера, выход которого в свою очередь соединен с входом второго таймера, а выход второго таймера соединен с входом второго коммутатора, второй выход второго коммутатора соединен с входом третьего таймера, выход которого соединен с входом третьего коммутатора, третьи входы второго и третьего коммутаторов соединены соответственно с второй и третьей фазами питающей участок сети, а первый выход второго коммутатора и выход третьего коммутатора соединены с вторыми и третьими входами каждого из N-светильников, выход датчика тумана подключен к четвертым входам, а выход датчика гололеда - к пятым входам второго и третьего коммутаторов. Технический результат изобретения - энергосбережение, обеспечение равномерности освещения при переходе автоматизированной системы в энергосберегающий или дежурный «ночной» режимы. 1 ил.

Дирекция сайта "Промышленная Сибирь"
Россия, г.Омск, ул.Учебная, 199-Б, к.408А
Сайт открыт 01.11.2000
© 2000-2018 Промышленная Сибирь
Разработка дизайна сайта:
Дизайн-студия "RayStudio"