|
На данной странице представлена ознакомительная часть выбранного Вами патента
Для получения более подробной информации о патенте (полное описание, формула изобретения и т.д.) Вам необходимо сделать заказ. Нажмите на «Корзину»
| СПОСОБ НЕПРЕРЫВНОГО ПЕРЕМЕЩЕНИЯ ЖИДКОСТЕЙ |  |
Номер публикации патента: 2179606 |  |
| Редакция МПК: | 7 | | Основные коды МПК: | D21C003/22 | | Аналоги изобретения: | ЕP 0100293 A1, 08.02.1984. US 4849052 A1, 18.07.1989. SU 169999 A1, 22.06.1965. |
| Имя заявителя: | ИМПКО-ФОЕСТ-АЛЬПИНЕ ПАЛПИНГ ТЕКНОЛОДЖИЗ ГМБХ (AT) | | Изобретатели: | ХЕПП Манфред Дитмар (AT) | | Патентообладатели: | ИМПКО-ФОЕСТ-АЛЬПИНЕ ПАЛПИНГ ТЕКНОЛОДЖИЗ ГМБХ (AT) | | Номер конвенционной заявки: | A 612/96 | | Страна приоритета: | AT | | Патентный поверенный: | Силаева Алла Александровна |
Реферат |  |
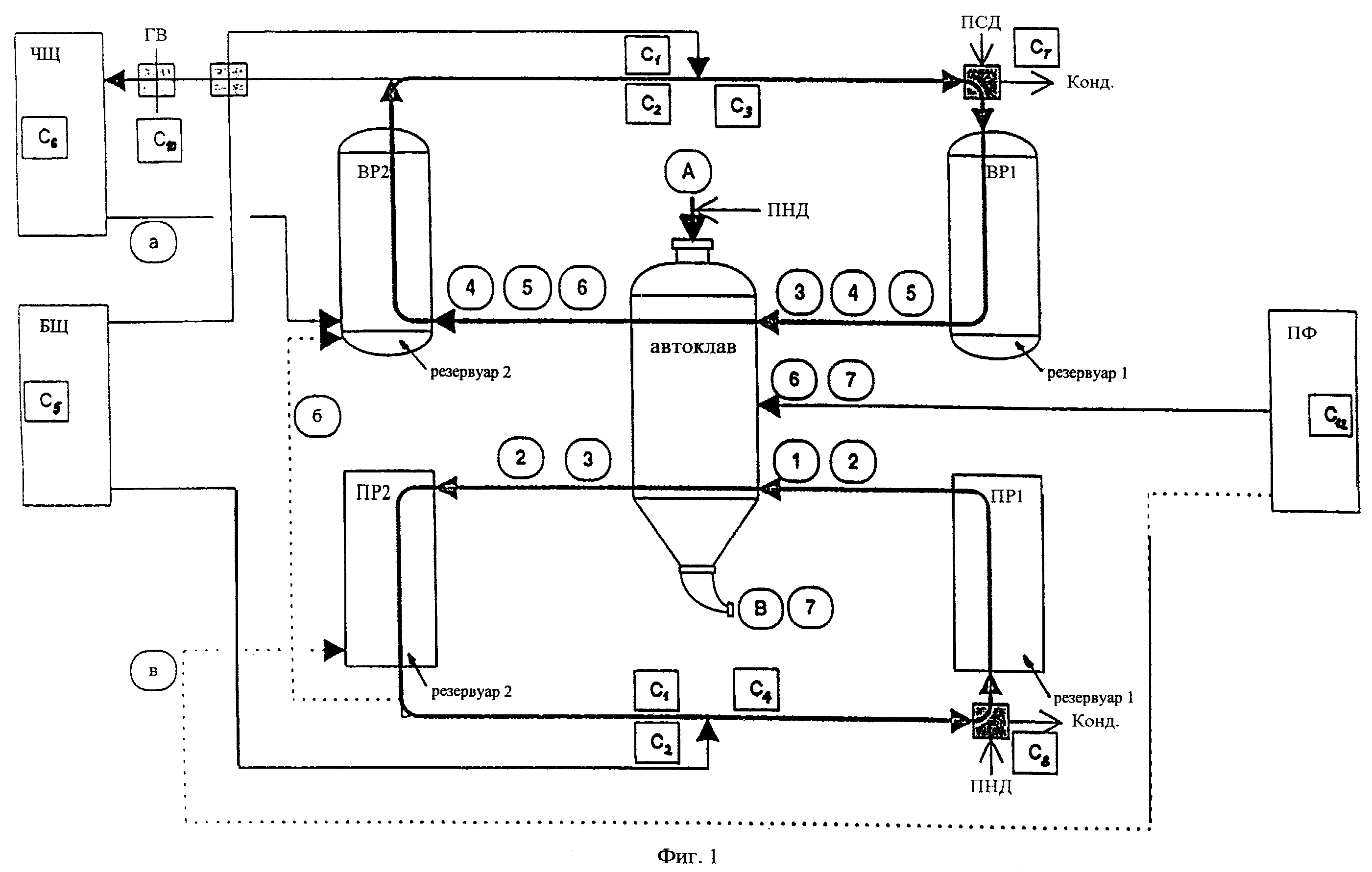
Предназначен для использования в производстве целлюлозы, в частности при вываривании пульпы в автоклаве. Жидкость, которую используют на определенном этапе процесса, может циркулировать между контейнерами или резервуарами, расположенными на приточной и выходной сторонах автоклава, и, когда доходят до этого определенного этапа процесса, автоклав присоединяют к системе циркуляции между контейнерами или резервуарами, которые связывают с этим определенным этапом процесса. Обеспечивается выполнение технологического процесса экономно, с минимумом заново добавленных химикалий и пресной воды. 7 з.п. ф-лы, 10 ил.
|