Промышленная Сибирь Ярмарка Сибири Промышленность СФО Электронные торги НОУ-ХАУ Электронные магазины Карта сайта
 
 

Поиск патентов

Как искать?
Реферат
Название
Публикация
Регистрационный номер
Имя заявителя
Имя изобретателя
Имя патентообладателя

    





Оформить заказ и задать интересующие Вас вопросы Вы можете напрямую c 6-00 до 14-30 по московскому времени кроме сб, вс. whatsapp 8-950-950-9888

На данной странице представлена ознакомительная часть выбранного Вами патента

Для получения более подробной информации о патенте (полное описание, формула изобретения и т.д.) Вам необходимо сделать заказ. Нажмите на «Корзину»


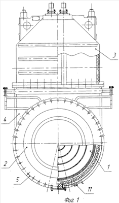
КЛАПАН ГОРЯЧЕГО ДУТЬЯ ДОМЕННЫХ ВОЗДУХОНАГРЕВАТЕЛЕЙ

Номер публикации патента: 2477322

Вид документа: C1 
Страна публикации: RU 
Рег. номер заявки: 2011136654/02 
  Сделать заказПолучить полное описание патента

Редакция МПК: 
Основные коды МПК: C21B009/12    
Аналоги изобретения: RU 2318023 C1, 27.02.2008. SU 1792979 A1, 07.02.1993. SU 1686006 A1, 23.10.1991. US 5396920 A, 14.03.1995. FR 2394734 A1, 12.01.1979. 

Имя заявителя: Открытое акционерное общество "Электростальский завод тяжелого машиностроения" (RU) 
Изобретатели: Шед Вениамин Иосифович (RU)
Чирков Сергей Геннадьевич (RU)
Мельников Геннадий Иванович (RU)
Брагинский Александр Моисеевич (UA) 
Патентообладатели: Открытое акционерное общество "Электростальский завод тяжелого машиностроения" (RU) 

Реферат


Изобретение относится к области черной металлургии, а точнее к конструкции клапанов горячего дутья доменных воздухонагревателей. Клапан содержит футерованный водоохлаждаемый запорный диск и футерованный водоохлаждаемый корпус с крышкой. Корпус состоит из футерованной горловины, присоединительных фланцев и цилиндрической части, внутри которой расположены упорные кольца с уплотнительной поверхностью, образующие между собой межкольцевое пространство для размещения запорного диска. Упорные кольца выполнены заодно с присоединительными фланцами. С каждой стороны межкольцевого пространства выполнены два кольцевых канала для воды, охлаждающей упорные кольца и присоединительные фланцы. Кольцевые каналы соединены отверстиями с общей системой подвода и отвода охлаждающей воды. Отношение глубины расположения контактной уплотнительной поверхности упорного кольца от верхнего края футеровки на нем к ширине межкольцевого пространства равно 1,0-1,35. Использование изобретения позволяет снизить тепловые потери в клапане, повысить эксплуатационную надежность и увеличить срок его службы. 3 ил.

Дирекция сайта "Промышленная Сибирь"
Россия, г.Омск, ул.Учебная, 199-Б, к.408А
Сайт открыт 01.11.2000
© 2000-2018 Промышленная Сибирь
Разработка дизайна сайта:
Дизайн-студия "RayStudio"