|
На данной странице представлена ознакомительная часть выбранного Вами патента
Для получения более подробной информации о патенте (полное описание, формула изобретения и т.д.) Вам необходимо сделать заказ. Нажмите на «Корзину»
| СПОСОБ ПОЛУЧЕНИЯ ПИЩЕВОГО ЭТИЛОВОГО СПИРТА |  |
Номер публикации патента: 2166541 |  |
| Имя заявителя: | Алексеев Виталий Павлович | | Изобретатели: | Алексеев В.П. Грунин Е.А. | | Патентообладатели: | Алексеев Виталий Павлович Грунин Евгений Александрович |
Реферат |  |
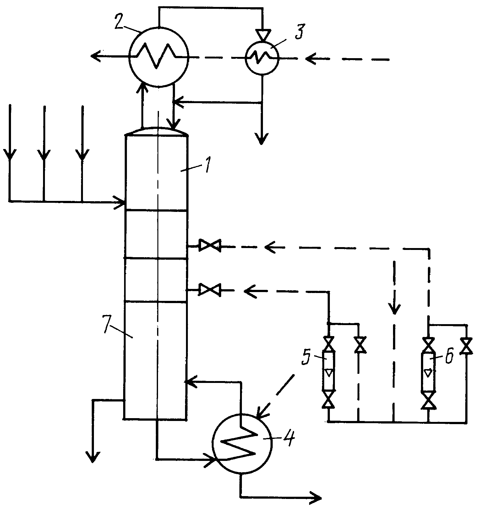
Изобретение относится к пищевой промышленности, в частности спиртовой, и касается способа получения пищевого этилового спирта из фракций, выделенных в процессе брагоректификации или ректификации. Способ предусматривает отвод выделенных фракций в концентрационную часть разгонной колонны с дефлектором и конденсатором, проведение процесса разгонки под давлением с подачей в выварную часть колонны, соответственно в верхнюю и нижнюю зоны двумя потоками умягченной или лютерной воды, при этом разбавляют спиртовой погон до концентрации объемной доли этилового спирта 8% и выводят его при этой концентрации из вываренной части колонны с дальнейшей доочисткой и использованием в качестве дополнительного пищевого этилового спирта. Примеси отводят из процесса через конденсатор колонны. Способ обеспечивает увеличение выхода спирта и освобождение его от метанола и других примесей, образующихся при переработке крахмалистого сырья за счет создания в процессе разгонки оптимальных условий для выделения примесей, что обеспечивает получение высококачественного пищевого этилового спирта. 1 ил.
|