Промышленная Сибирь Ярмарка Сибири Промышленность СФО Электронные торги НОУ-ХАУ Электронные магазины Карта сайта
 
 

Поиск патентов

Как искать?
Реферат
Название
Публикация
Регистрационный номер
Имя заявителя
Имя изобретателя
Имя патентообладателя

    





Оформить заказ и задать интересующие Вас вопросы Вы можете напрямую c 6-00 до 14-30 по московскому времени кроме сб, вс. whatsapp 8-950-950-9888

На данной странице представлена ознакомительная часть выбранного Вами патента

Для получения более подробной информации о патенте (полное описание, формула изобретения и т.д.) Вам необходимо сделать заказ. Нажмите на «Корзину»


СПОСОБ НЕПРЕРЫВНОГО ПОЛУЧЕНИЯ АНГИДРИДОВ НЕНАСЫЩЕННОЙ КАРБОНОВОЙ КИСЛОТЫ

Номер публикации патента: 2443673

Вид документа: C2 
Страна публикации: RU 
Рег. номер заявки: 2009101973/04 
  Сделать заказПолучить полное описание патента

Редакция МПК: 
Основные коды МПК: C07C051/56   C07C051/573   C07C057/04   C07C051/54    
Аналоги изобретения: US 2178752 A, 07.11.1939. US 2003/018217 A1, 23.01.2003. EP 0196520 A, 08.10.1986. RU 93033469 A, 20.06.1996. 

Имя заявителя: Эвоник Рем ГмбХ (DE) 
Изобретатели: БРЕЛЛЬ Дирк (DE)
ЗИГЕРТ Херманн (DE) 
Патентообладатели: Эвоник Рем ГмбХ (DE) 
Приоритетные данные: 23.06.2006 DE 102006029318.5 

Реферат


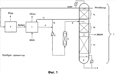
Изобретение относится к усовершенствованному способу непрерывного получения ангидридов ненасыщенной карбоновой кислоты общей формулы , в которой R означает ненасыщенный органический остаток, имеющий от 2 до 12 атомов углерода, путем реакции кетена общей формулы , в которой R' и R'' являются одинаковыми или различными и представляют водород или остаток алкила, имеющий от 1 до 4 атомов углерода, с ненасыщенной карбоновой кислотой общей формулы , в которой значение R такое, как указано выше, в котором в аппаратуре, содержащей реакционную зону (1) для реакции кетена с ненасыщенной карбоновой кислотой общей формулы II, реакционную зону (2) для дальнейшей реакции образованной смеси сырого ангидрида и ректификационную колонну с верхней, средней и нижней областью, в куб которой подают инертное кипящее масло, а) ненасыщенную карбоновую кислоту общей формулы II подают в реакционную зону (1), b) образованную смесь сырого ангидрида со стадии а) подают в следующую реакционную зону (2), находящуюся снаружи или внутри колонны или содержащуюся в реакционной зоне (1), с) смесь сырого ангидрида со стадии b) очищают в ректификационной колонне, d) в верхней части колоны отгоняют образованную карбоновую кислоту и снова возвращают для получения кетена, е) не превращенные реагенты и образованные промежуточные продукты возвращают в реакционную зону (1) и/или (2) и f) продукт формулы I получают между средней и нижней областью ректификационной колонны, причем процесс осуществляют в присутствии ингибитора полимеризации, а в реакционной зоне (2) используют гетерогенный катализатор. В способе достигают полного превращения используемой ненасыщенной карбоновой кислоты и получают ненасыщенный ангидрид и карбоновую кислоту с высокой чистотой. 8 з.п. ф-лы, 1 ил.

Дирекция сайта "Промышленная Сибирь"
Россия, г.Омск, ул.Учебная, 199-Б, к.408А
Сайт открыт 01.11.2000
© 2000-2018 Промышленная Сибирь
Разработка дизайна сайта:
Дизайн-студия "RayStudio"