|
На данной странице представлена ознакомительная часть выбранного Вами патента
Для получения более подробной информации о патенте (полное описание, формула изобретения и т.д.) Вам необходимо сделать заказ. Нажмите на «Корзину»
| СПОСОБ ПОЛУЧЕНИЯ АЛКИЛБЕНЗИНА |  |
Номер публикации патента: 2175311 |  |
| Редакция МПК: | 7 | | Основные коды МПК: | C07C002/58 C07C002/60 C07C002/62 | | Аналоги изобретения: | US 5777189, 25.05.1995. US 3778489, 11.12.1973. SU 685855 А1, 15.09.1979. RU 2092475 С1, 10.10.1997. ОЛБРАЙТ Л.Ф. АЛКИЛИРОВАНИЕ. - М.: ХИМИЯ, 1982, с.176-187. |
| Имя заявителя: | Неяглов Анатолий Васильевич | | Изобретатели: | Неяглов А.В. | | Патентообладатели: | Неяглов Анатолий Васильевич |
Реферат |  |
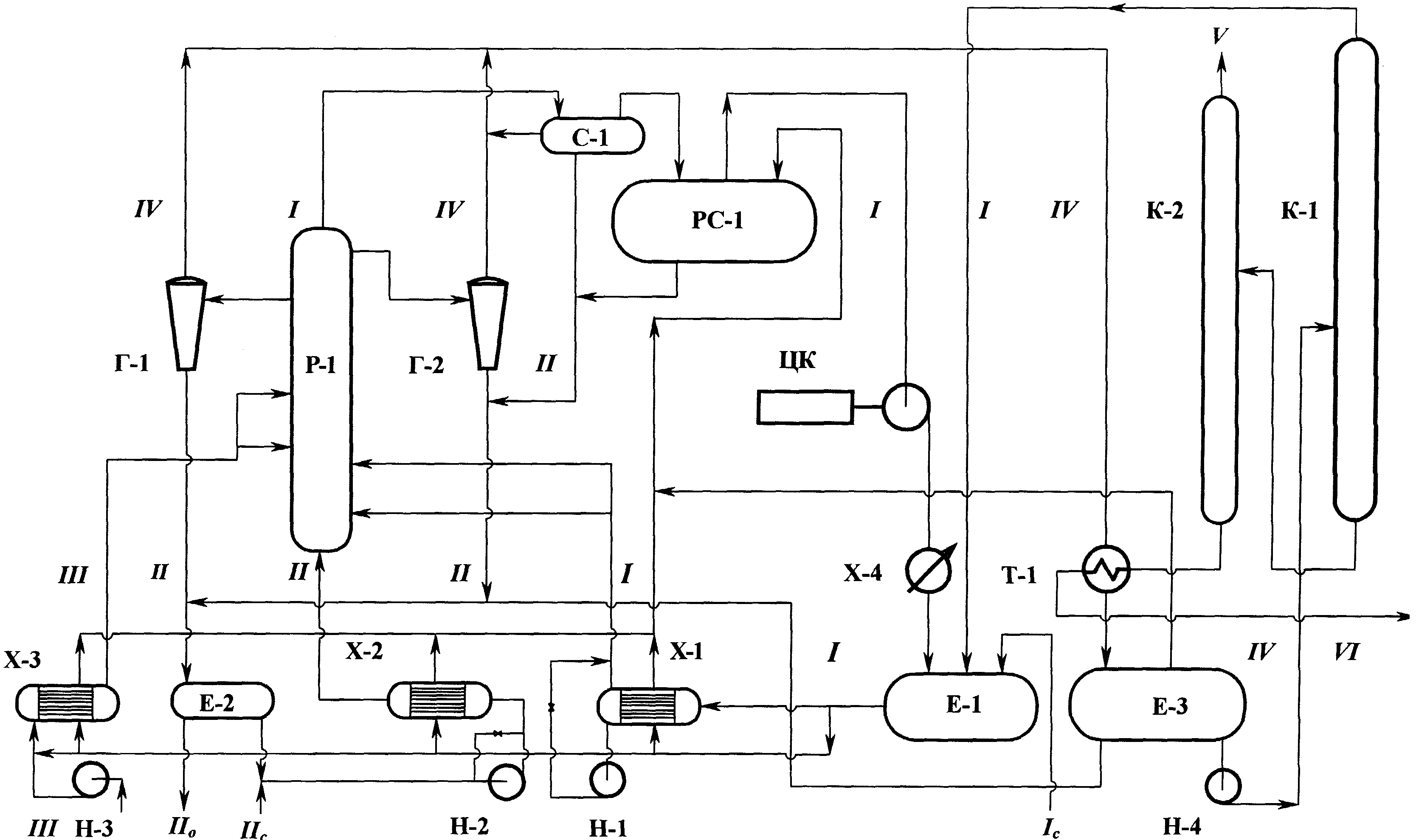
Изобретение относится к способу получения алкилбензина и предусматривает серно-кислотное алкилирование изопарафинов олефинами путем приготовления устойчивой мелкодисперсной серно-кислотно-изопарафиновой эмульсии при введении по касательной потоков серной кислоты и изопарафинов в смесительную зону реактора с перепадом давления, последующее смешение восходящего потока полученной эмульсии в реакционной зоне с потоком олефинов, вводимым по касательной с перепадом давления большим, чем на стадии приготовления эмульсии, и расслоение эмульгированной реакционной смеси центрифугированием, отделение и рецикл катализатора и изопарафинов. Товарный продукт выделяют ректификацией. Технический результат - повышение выхода алкилбензина улучшенного качества, а также снижение энерго- и капитальных затрат. 3 з.п. ф-лы, 1 табл., 1 ил.
|