Промышленная Сибирь Ярмарка Сибири Промышленность СФО Электронные торги НОУ-ХАУ Электронные магазины Карта сайта
 
 

Поиск патентов

Как искать?
Реферат
Название
Публикация
Регистрационный номер
Имя заявителя
Имя изобретателя
Имя патентообладателя

    





Оформить заказ и задать интересующие Вас вопросы Вы можете напрямую c 6-00 до 14-30 по московскому времени кроме сб, вс. whatsapp 8-950-950-9888

На данной странице представлена ознакомительная часть выбранного Вами патента

Для получения более подробной информации о патенте (полное описание, формула изобретения и т.д.) Вам необходимо сделать заказ. Нажмите на «Корзину»


ЗОНТИЧНАЯ АНТЕННА КОСМИЧЕСКОГО АППАРАТА

Номер публикации патента: 2418346

Вид документа: C2 
Страна публикации: RU 
Рег. номер заявки: 2009129753/07 
  Сделать заказПолучить полное описание патента

Редакция МПК: 
Основные коды МПК: H01Q015/16   B64G001/22    
Аналоги изобретения: ГРЯНИК М.В., ЛОМАН В.И. Развертываемые зеркальные антенны зонтичного типа. - М.: Радио и связь, 1987, с.7-12. RU 2019004 С1, 30.08.1994. SU 364999 A1, 01.01.1973. US 3233475 A, 28.02.1966. US 4176360 А, 27.11.1979. 

Имя заявителя: Открытое акционерное общество "Информационные спутниковые системы" имени академика М.Ф. Решетнева" (RU) 
Изобретатели: Тестоедов Николай Алексеевич (RU)
Халиманович Владимир Иванович (RU)
Величко Александр Иванович (RU)
Леканов Анатолий Васильевич (RU)
Шипилов Геннадий Вениаминович (RU)
Романенко Валентин Иванович (RU)
Токарев Алексей Валерьевич (RU)
Акчурин Владимир Петрович (RU) 
Патентообладатели: Открытое акционерное общество "Информационные спутниковые системы" имени академика М.Ф. Решетнева" (RU) 

Реферат


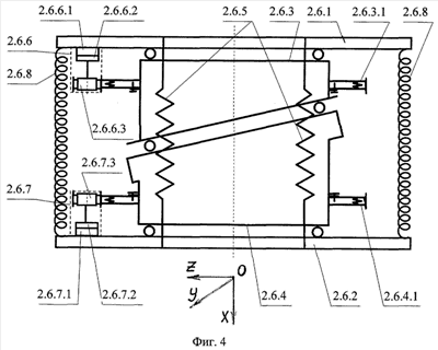
Изобретение относится к космической технике, в частности к зеркальным антеннам с развертываемым крупногабаритным рефлектором зонтичного типа. Технический результат изобретения состоит в снижении массы антенны в результате наличия в ее конструкции устройства поворота рефлектора в пространстве. Антенна космического аппарата состоит из облучателя и раскрываемого рефлектора, включающего в себя центральный узел, шарнирно соединенный с ним силовой каркас, выполненный в виде спиц, механически связанный с сетеполотном, ступицу с фланцем, прикрепленную к центральному узлу с противоположной стороны от раскрыва рефлектора, которая в районе свободного торца с помощью оттяжек единым центром соединена со спицами, а к фланцу ступицы прикреплен первый фланец устройства поворота рефлектора в пространстве, включающего в себя второй фланец для соединения с космическим аппаратом и электромеханический привод, состоящий из электродвигателя и редуктора. Устройство поворота рефлектора в пространстве выполнено с применением двух передач «косая шайба - выходной вал электромеханического привода», включающего в себя синхронный электродвигатель с электромагнитной редукцией, расположением косых шайб между двумя фланцами устройства, соединенными по внутренним диаметрам сильфоном, а по наружным диаметрам - пружинами. 4 ил.

Дирекция сайта "Промышленная Сибирь"
Россия, г.Омск, ул.Учебная, 199-Б, к.408А
Сайт открыт 01.11.2000
© 2000-2018 Промышленная Сибирь
Разработка дизайна сайта:
Дизайн-студия "RayStudio"