|
На данной странице представлена ознакомительная часть выбранного Вами патента
Для получения более подробной информации о патенте (полное описание, формула изобретения и т.д.) Вам необходимо сделать заказ. Нажмите на «Корзину»
| РЕЛЕЙНО - КОМПЬЮТЕРНАЯ ЦЕНТРАЛИЗАЦИЯ |  |
Номер публикации патента: 2173278 |  |
| Редакция МПК: | 7 | | Основные коды МПК: | B61L027/04 | | Аналоги изобретения: | Сапожников и др. Станционные системы автоматики и и телемеханики. - М.: Транспорт, 1997, рис. 11. US 4517673 A, 14.05.1985. EP 867352 A4, 30.09.1988. EP 473834 A2, 11.03.1992. SU 1402477 A1, 15.06.1988. SU 1207875 A, 30.01.1986. |
| Имя заявителя: | Самарский институт инженеров железнодорожного транспорта | | Изобретатели: | Полевой Ю.И. Яковлев В.Н. Шумаков В.М. Гуменников В.Б. Макаров П.И. | | Патентообладатели: | Самарский институт инженеров железнодорожного транспорта |
Реферат |  |
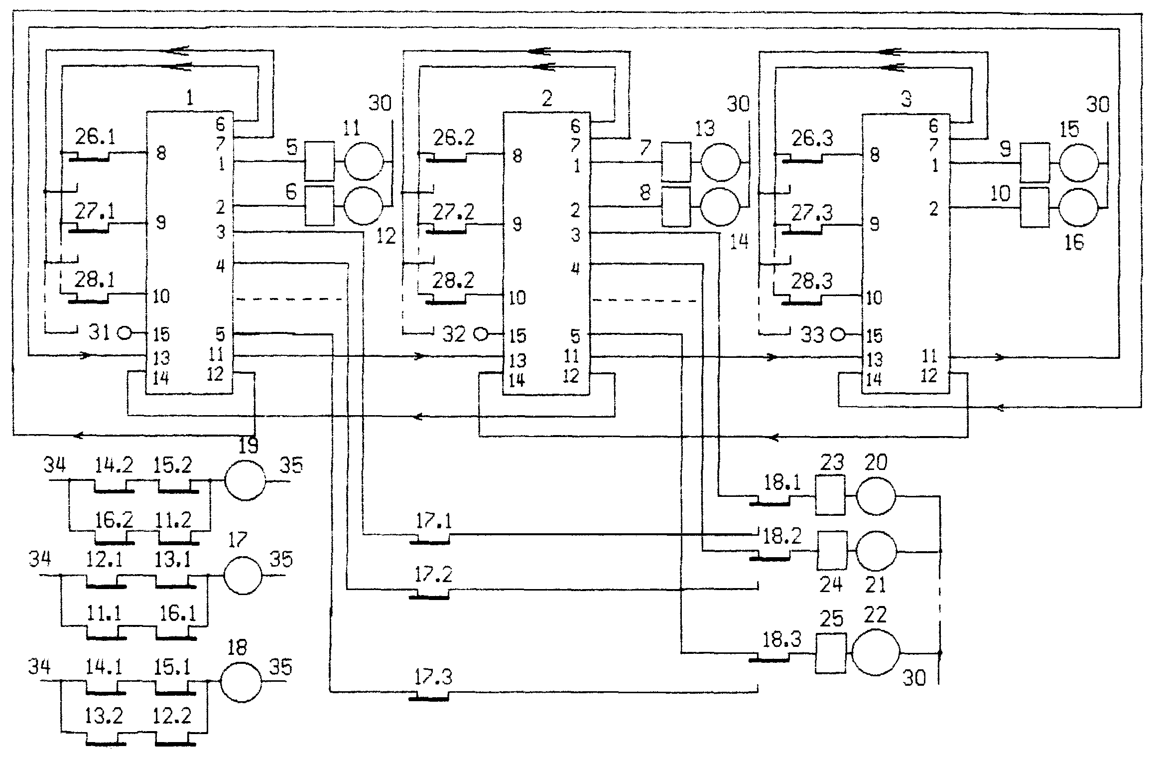
Изобретение относится к железнодорожной автоматике. Релейно-компьютерная централизация содержит три персональных компьютера, шесть реле контроля работы персональных компьютеров и три переключающих реле. Через конденсаторные схемы реле контроля подключены к первым и вторым выходам каждого персонального компьютера. Реле контроля работы компьютера создают цепи переключающим реле, которые выбирают персональный компьютер Технический результат - повышение безопасности за счет повышения надежности работы устройств 1 ил.
|