|
На данной странице представлена ознакомительная часть выбранного Вами патента
Для получения более подробной информации о патенте (полное описание, формула изобретения и т.д.) Вам необходимо сделать заказ. Нажмите на «Корзину»
| КОМБИНИРОВАННАЯ СИСТЕМА ДИФФЕРЕНЦИРОВАННОГО РАСПРЕДЕЛЕНИЯ МОЩНОСТИ |  |
Номер публикации патента: 2171752 |  |
| Редакция МПК: | 7 | | Основные коды МПК: | B60K017/12 | | Аналоги изобретения: | SU 1604637 A1, 07.11.1990. SU 1521622 A1, 15.11.1989. SU 1428603 A1, 07.10.1988. |
| Имя заявителя: | Тай Хер ЯНГ (TW) | | Изобретатели: | Тай Хер ЯНГ (TW) | | Патентообладатели: | Тай Хер ЯНГ (TW) | | Патентный поверенный: | Емельянов Евгений Иванович |
Реферат |  |
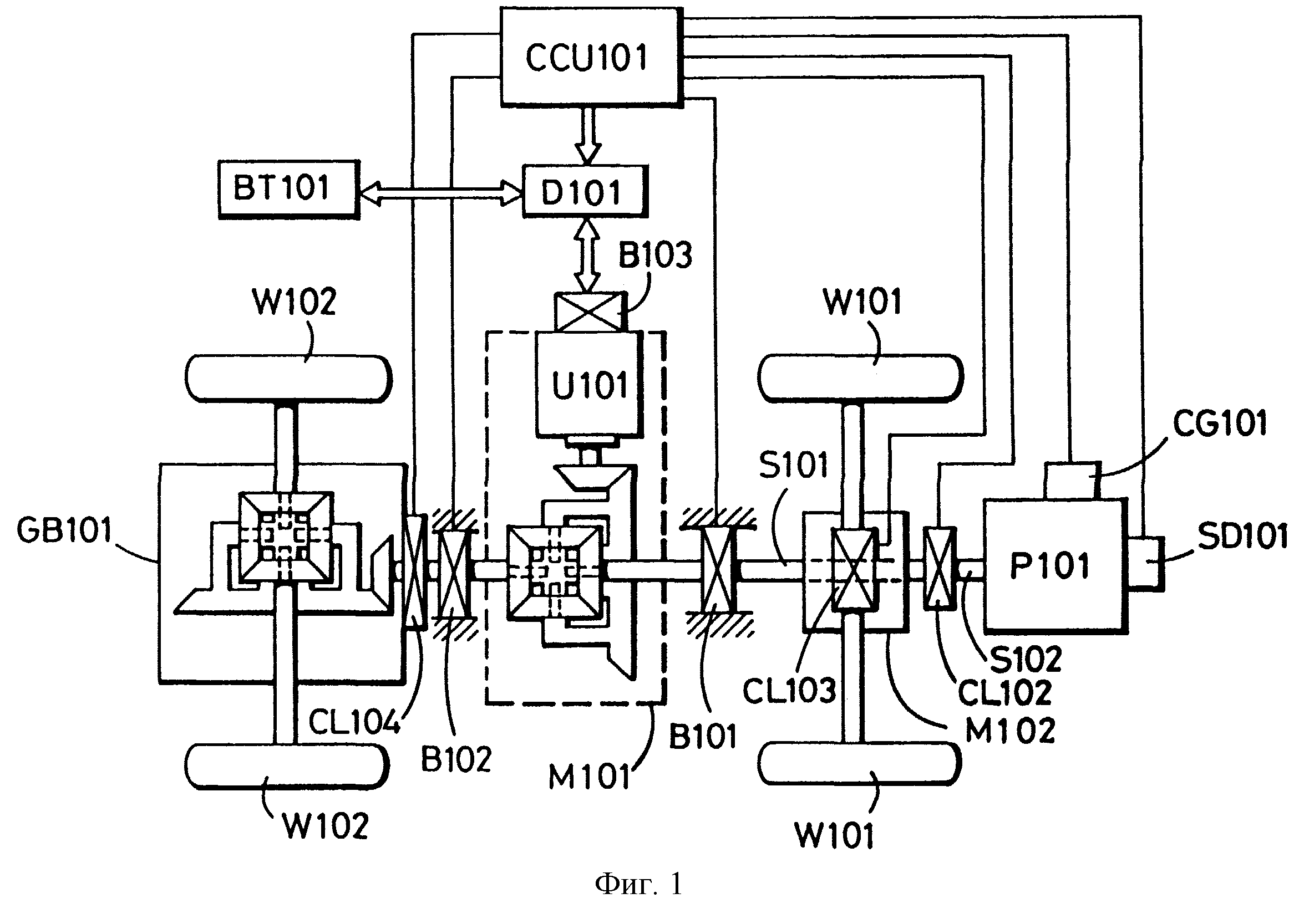
Изобретение относится к комбинированным приводным системам транспортных средств. Вращательный силовой агрегат приводит нагрузку передней секции. Он соединен с дифференциальным устройством, включающим в себя электрическую машину и заднюю дифференциальную коробку, приводящую заднюю секцию. Между ротором и статором электрической машины установлен управляемый тормоз, обеспечивающий выполнение электродвигателем функций привода в случае подачи входного тока или функций связи с переменной скоростью посредством выходного тока, когда электрическая машина работает генератором. Двигатель может вращаться с постоянной и частично с регулируемой скоростью, причем часть выходной мощности используется для приведения нагрузки, а остальная часть преобразуется в электрической машине, выполняющей функции генератора, в зарядный ток аккумулятора. Тем самым повышается энергетическая эффективность системы, и уменьшается загрязнение окружающей среды. 2 с. и 21 з.п.ф-лы, 8 ил., 8 табл.
|