Промышленная Сибирь Ярмарка Сибири Промышленность СФО Электронные торги НОУ-ХАУ Электронные магазины Карта сайта
 
 

Поиск патентов

Как искать?
Реферат
Название
Публикация
Регистрационный номер
Имя заявителя
Имя изобретателя
Имя патентообладателя

    





Оформить заказ и задать интересующие Вас вопросы Вы можете напрямую c 6-00 до 14-30 по московскому времени кроме сб, вс. whatsapp 8-950-950-9888

На данной странице представлена ознакомительная часть выбранного Вами патента

Для получения более подробной информации о патенте (полное описание, формула изобретения и т.д.) Вам необходимо сделать заказ. Нажмите на «Корзину»


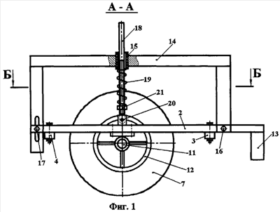
КАТОК - ГРЕБНЕОБРАЗОВАТЕЛЬ

Номер публикации патента: 2466519

Вид документа: C1 
Страна публикации: RU 
Рег. номер заявки: 2011134410/13 
  Сделать заказПолучить полное описание патента

Редакция МПК: 
Основные коды МПК: A01B029/04    
Аналоги изобретения: RU 2409921 C1, 27.01.2011. RU 55244 U1, 10.08.2006. RU 62765 U1, 10.05.2007. RU 2296445 C2, 10.04.2007. RU 2281632 C2, 20.08.2006. 

Имя заявителя: Федеральное государственное образовательное учреждение высшего профессионального образования "Ульяновская государственная сельскохозяйственная академия" (RU) 
Изобретатели: Курдюмов Владимир Иванович (RU)
Зыкин Евгений Сергеевич (RU)
Шаронов Иван Александрович (RU) 
Патентообладатели: Федеральное государственное образовательное учреждение высшего профессионального образования "Ульяновская государственная сельскохозяйственная академия" (RU) 

Реферат


Изобретение относится к сельскохозяйственному машиностроению, в частности к прикатывающим каткам. Каток-гребнеобразователь включает составную раму, ось и свободно установленные на ней сферические диски с расположенными между ними кольцами. Рама катка выполнена с возможностью изменения угла установки боковых балок вместе со сферическими дисками к направлению движения и фиксации в заданном положении. На раме катка установлены П-образные балки с направляющими втулками, под которыми установлены штанги и которые снабжены пружинами. Сферические диски установлены выпуклой стороной к продольной оси симметрии катка с внутренней стороны боковых балок составной рамы с возможностями изменения угла атаки сферических дисков симметрично относительно продольной оси симметрии катка под одинаковым углом, раствор которого направлен в сторону движения катка, и фиксации в заданном положении. П-образные балки со штангами расположены вдоль продольных балок составной рамы на одинаковом расстоянии от продольной оси симметрии катка. Штанги одним концом шарнирно установлены на продольных балках составной рамы, другим - в направляющих втулках, с возможностью вертикального перемещения штанг в направляющих втулках, а место установки штанг на продольных балках совпадает с продолжением геометрической оси вращения колец. Такое конструктивное выполнение позволит повысить равномерность уплотнения гребней почвы над высеянными семенами с заданной агротехническими требованиями плотностью. 3 ил.

Дирекция сайта "Промышленная Сибирь"
Россия, г.Омск, ул.Учебная, 199-Б, к.408А
Сайт открыт 01.11.2000
© 2000-2018 Промышленная Сибирь
Разработка дизайна сайта:
Дизайн-студия "RayStudio"